
近日,中國科學院微電子研究所四室研究員賈銳的科研團隊在新型黑硅電池研究方面取得新進展。
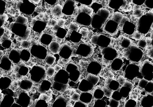
黑硅具有良好的陷光特性和極低的光反射率(<1%),在高效率、低成本晶體硅電池方面有著重要的產業化應用前景,是國際關注的研究熱點領域。目前,黑硅太陽能電池效率提升存在諸多瓶頸,主要原因之一是其表面納米結構大于表面積、納米結構之間存在高密度的間隙,造成載流子橫向輸運能力差、電極接觸性能不佳等問題,使黑硅良好的陷光特性無法在高效晶體硅太陽能電池中得到充分應用。
鑒于ZnO納米線優異的光電特性和較高的載流子遷移率,賈銳團隊創新性地將ZnO納米線引入黑硅太陽能電池,在硅納米結構間隙生長出橫向接觸的ZnO納米線。橫向接觸的ZnO納米線能夠促進光生載流子的橫向輸運與收集,有效降低了接觸電阻,提高了電池效率。ZnO納米線黑硅電池的I-V特性、光譜響應及量子效率等測試結果表明,ZnO納米線的嵌入未改變黑硅電池良好的陷光特性,且明顯改善了電極接觸及載流子輸運等特性,這從原理角度證明了ZnO納米線有助于黑硅電池效率的提升。ZnO材料成本低,制備工藝簡單,與現有的晶體硅電池工藝具有良好的工藝兼容性,具有廣闊的應用前景。賈銳團隊目前正致力于將該創新成果及技術向高效背接觸和異質結背接觸電池研究方面轉移。
上述研究成果已申請了國家發明專利(專利申請號:201310123551.2)并發表于2015年2月的國際期刊Applied Physics Letters (DOI: 10.1063/1.4907645),受到了國際同行專家的高度評價。該項目得到國家高技術研究發展計劃(“863”計劃)資助,以及中國英利綠色能源控股有限公司的大力協助。

